IEPE Triaxial Accelerometer - Isolated Housing - ±50 to ±500g
- Triaxial IEPE (Integrated Electronic Piezoelectric) accelerometer
- Measurement ranges: ±50g, ±250g, or ±500g
- Sensitivity: 10mV/g, 20mV/g, or 100mV/g
- Bandwidth at ±10%: 0.5 Hz to 8 kHz
- Connectivity: 4-pin 1/4-28 connector
- IP68 waterproof
- Resonance frequency: >30 kHz to >50 kHz depending on version
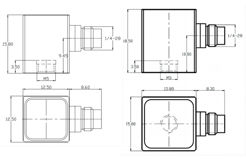
- Dimensions: 12.5×12.5×15.8 mm (excluding connector)
- Installation: M5 threading or adhesive mounting
- Weight: 9.5 to 18 grams depending on version
- Operating temperature: -40°C to +120°C
- Configurable compatible cable
Overview
The B0xYG1 is a ruggedized (IP68, shock resistance from 1000 to 5000 g depending on the version, operating temperature: -40 to 120 °C) miniature piezoelectric (IEPE) triaxial accelerometer designed for vibration characterization of components or structures. Three measurement ranges are available: ± 50g, ± 250g, and ± 500g per axis, with a bandwidth reaching 8 kHz at ± 5%.
Specifications
| Model | B02YG1 | B03YG1 | B06YG1 |
|---|---|---|---|
| Sensitivity | 10 mV/g | 20 mV/g | 100 mV/g |
| Measurement range | 500g | 250 g | 50 g |
| Frequency response (5%) | 1 Hz to 8 kHz | 1 Hz to 8 kHz | 1 Hz to 8 kHz |
| Frequency response (10%) | 0.5 Hz to 10 kHz | 0.5 Hz to 10 kHz | 0.5 Hz to 9 kHz |
| Connector output | 4-pin 1/4-28 | 4-pin 1/4-28 | 4-pin 1/4-28 |
| Mass | 9.5 grams | 9.5 grams | 18 grams |
| Mounting | M5 threaded hole | M5 threaded hole | M5 threaded hole |
| Operating temperature | -40 to +120°C | -40 to +120°C | -40 to +120°C |
| Resonance frequency | > 50 kHz | > 50 kHz | > 35 kHz |
Ruggedized isolated housing for harsh EMC environments
The B0xYG1 comes in a corrosion- and chemical-resistant titanium housing, operating over an extended temperature range from -40 °C to +120 °C. The hermetically welded construction (IP68) can withstand shocks up to 5000 g. The total weight ranges from 9.5g to 18g depending on the version (excluding connector).
The B0xYG1 is powered by a 2 to 20 mA DC current (voltage: 20-30 VDC), with connectivity provided via a 4-pin connector. Mounting on the application is achieved by screwing (central M2.5 threading) or bonding. A mounting plate is included to electrically isolate the accelerometer from its support.
Dimensions

Applications
- Modal analysis
- Automotive testing
- Laboratory testing
- Vibration/shock studies
- Frequency analysis
- Sizing studies
- Number of Axis
- 3 Axis
- Technologie
- Piezoelectrical
- Type de produit
- Accelerometer
- Sensibility
- 10 / 20 / 100 mV/G
- Etendue de mesure linéaire
- 500 / 50 / 250 G
- Bande passante (-3 dB)
- 8000 Hz
- Nonlinearity (% FS)
- ± 1 %
- Signal otuput
- ± 5 VDC
- Température de fonctionnement
- -40 to 120 °C
- Protection Class
- IP68
- Housing
- Titanium
- 50-500g
Dimensions

- ISO-17025 calibration certificate (as standard, the sensor is supplied with a standard factory certificate)
- Datalogger
- IEPE conditioning module
- Magnetic base
- Cable (configurable length and connector)